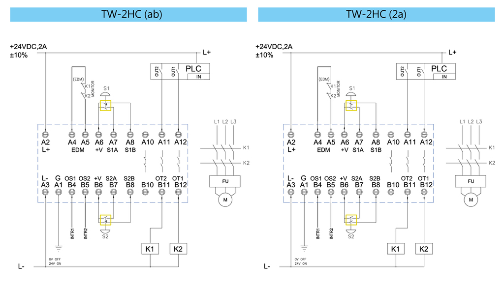
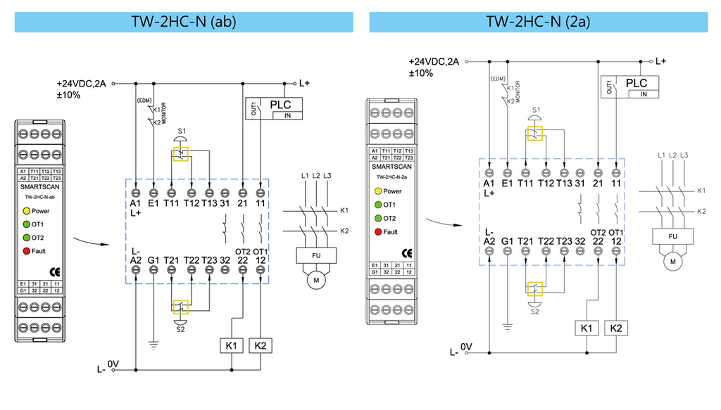
符合國際與歐盟標準ISO 13851 TYPE III C,取得知名歐盟認證單位驗證通過之雙手起動控制裝置模組;符合國內各項安全規範,除可有效降低工作意外發生,也能透過模組改善以往雙手起動控制裝置內部配線複雜性。
型號 | TW-2HC | TW-2HC-N | ||
動力供應 | DC 24V | |||
起動按鈕輸入信號 | 1A1B | 2A | 1A1B | 2A |
光幕輸入信號 | PNP*2 | 無 | ||
消耗功率 | DC 200 mA (MAX) | |||
輸出接點 | 2A1B | |||
外部監控 | 迴路接點 | |||
反應時間 | 20msec(不包含繼電器開關時間) | |||
觸點閉合動作時間 | ≤30msec | |||
觸點釋放動作時間 | ≤30msec | |||
安全繼電器機械壽命 | 107次以上 | |||
操作溫度 | 0℃至+50℃ | |||
防水防塵等級 | IP40防護程度 | IP20防護程度 | ||
安全標準 | ISO 13851 TYPE III C ; EN 574 TYPE III C; ISO 13849 PL e ; IEC 62061 SIL3 | |||
外形尺寸 | 70mm*58mm*90mm | 22.7mm*99.7mm*114.7mm | ||






