The T2F series safety light curtain architecture is designed in compliance with international safety standards. The entire light curtain meets the safety requirements of IEC61496-1 and IEC61496-2 TYPE 2 and has obtained a certificate of conformity from a European certification body.
The slim and compact design makes it suitable for installation in confined spaces, such as equipment used in the semiconductor, PCB, and panel industries.

光軸數 | 14 ~ 124 | 7 ~ 62 |
|---|---|---|
Detection Resolution | 14mm | 24mm |
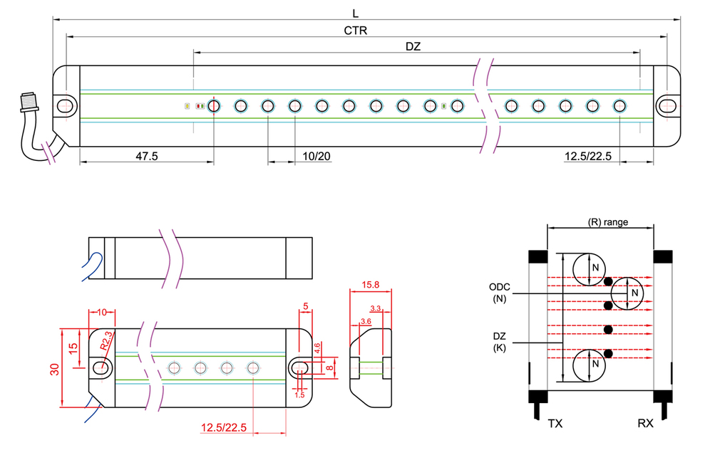
Detection Area | 154mm ~ 1254mm | 164mm ~ 1264mm |
Sensing Range | 0.4m ~ 2m | 0.4m ~ 2m |
Response Time | 20msec (Excluding relay switching time) | |
Operating Temperature | 0℃ 至 +50℃ | |
Waterproof and Dustproof Rating | IP62 Protection Level | |
Power Supply | 24VDC ± 20%,1.5A (MAX) | |
Power Consumption | Transmitter 200mA + Receiver 200mA + OSSD Output ( 500mA max. ) | |
Light Curtain Connector | Direct Cable Type; Detachable Terminal Type(M8) | |
Housing Finish | Aluminum Extrusion; Yellow Anodized Finish | |
Safety Classification | IEC61496-1 & IEC61496-2 : TYPE 2 IEC62061 SIL1 & ISO13849-1 PLc | |
3Output Mode | 2 independent safety outputs (solid-state transistor PNP switch: 500mA per channel @ 24V DC) | |
Detection Resolution 14mm | Sensing Range0.4m至2m | |||
|---|---|---|---|---|
Number of Beams | Model Number | Detection Area (DZ) (mm) | Installation Length (CTR) (mm) | Total Combined Length (L) (mm) |
14 | T2F-1014 | 154 | 200 | 210 |
24 | T2F-1024 | 254 | 300 | 310 |
34 | T2F-1034 | 354 | 400 | 410 |
44 | T2F-1044 | 454 | 500 | 510 |
54 | T2F-1054 | 554 | 600 | 610 |
64 | T2F-1064 | 654 | 700 | 710 |
74 | T2F-1074 | 754 | 800 | 810 |
84 | T2F-1084 | 854 | 900 | 910 |
94 | T2F-1094 | 954 | 1000 | 1010 |
104 | T2F-10104 | 1054 | 1100 | 1110 |
114 | T2F-10114 | 1154 | 1200 | 1210 |
124 | T2F-10124 | 1254 | 1300 | 1310 |
Detection Resolution24mm | Sensing Range0.4m至2m | |||
|---|---|---|---|---|
Number of Beams | Model Number | Detection Area (DZ) (mm) | Installation Length (CTR) (mm) | Total Combined Length (L) (mm) |
7 | T2F-2007 | 164 | 200 | 210 |
12 | T2F-2012 | 264 | 300 | 310 |
17 | T2F-2017 | 364 | 400 | 410 |
22 | T2F-2022 | 464 | 500 | 510 |
27 | T2F-2027 | 564 | 600 | 610 |
32 | T2F-2032 | 664 | 700 | 710 |
37 | T2F-2037 | 764 | 800 | 810 |
42 | T2F-2042 | 864 | 900 | 910 |
47 | T2F-2047 | 964 | 1000 | 1010 |
52 | T2F-2052 | 1064 | 1100 | 1110 |
57 | T2F-2057 | 1164 | 1200 | 1210 |
62 | T2F-2062 | 1264 | 1300 | 1310 |

Input/Output Circuit | |
|---|---|
(1) Power Section: | Provides a rated +24V DC power supply to the transmitter and receiver units (brown wire to +24V, blue wire to 0V). |
(2) Output Section: | The T2F series light curtain features two independent transistor (PNP) safety outputs, OSSD1 and OSSD2. |




T2F Series - M8 Terminal Connection Cable | |
Cable Model Number | M8 Terminal Connection Cable Details |
T2F-3M-180-RX | T2F series cable 3M (Receiver Side) |
T2F-5M-180-RX | T2F series cable 5M (Receiver Side) |
T2F-10M-180-RX | T2F series cable 10M (Receiver Side) |
T2F-15M-180-RX | T2F series cable 15M (Receiver Side) |
T2F-3M-180-TX | T2F series cable 3M (Receiver Side) |
T2F-5M-180-TX | T2F series cable 5M (Receiver Side) |
T2F-10M-180-TX | T2F series cable 10M (Receiver Side) |
T2F-15M-180-TX | T2F series cable 15M (Receiver Side) |



