C4 compact 系列安全光幕符合了最新的國際安全標準之最高要求如 ISO 13849-1 PL e 等級與 ISO 62061 安全等級 SIL3 的要求外,也符合國際之光幕標準 IEC 61496-1,IEC 61496-2 最高等級TYPE 4 的所有要求,並通過歐洲多家第三者驗證單位的測試與驗證,取得合格之證書。
其安全性能與等級可適用於各類危險機械如沖、剪、摺床等工作機械上,符合各類安全規範。
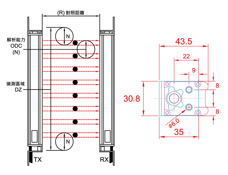
C4 compact 系列安全光幕採用最新之電子與機械製造工藝技術,外型結構小而剛強,並且降低光幕上、下端蓋佔用的檢測死區。耐用且售價相較於同級產品為低廉,各式型號與規格眾多,可滿足操作人員之手掌、手臂、身體的各種安全檢測的需求。
此光幕光柵具備高解析度感測功能,是各類光柵應用的理想選擇

偵測解析能力 | 14mm | 24mm | 30mm | 40mm | 45mm | 50mm |
光軸數 | 12 ~ 192 | 6 ~ 96 | 6 ~ 96 | 6 ~ 96 | 4 ~ 48 | 4 ~ 48 |
偵測區域(mm) | 134 ~ 1934 | 144 ~ 1944 | 134 ~ 2430 | 190 ~ 2440 | 205 ~ 1965 | 210 ~ 1970 |
偵測範圍 | 0.5m ~ 5m | 0.5m ~ 5m | 0.5m ~ 5m | 3m ~ 10m | 0.5m ~ 5m | 3m ~ 10m |
反應時間 | 20msec (不包含繼電器開關時間) | |||||
操作溫度 | 0℃ 至 +50℃ | |||||
防水防塵等級 | IP65 防護程度 | |||||
狀態指示燈號 | TX - 七段顯示器指示信號強度及光幕狀態 RX - OSSD ON (Green LED) , OSSD OFF (Red LED) , RX 接收狀態 (Yellow LED) | |||||
電源供應 | 24 VDC ± 10% and 1.5A regulated | |||||
消耗功率 | 500mA + (OSSD current consumption) | |||||
光幕端接線接頭 | 直接出線 | 快速接頭 (M12端子) | ||||
外表塗裝 | 鋁擠型;黃色烤漆處理 | |||||
安全分類 | IEC 62061 SIL3 , ISO 13849-1 PL e , IEC 61496-1 TYPE4 / IEC 61496-2 TYPE4 | |||||
輸入模式 | EDM, RESET, Synchronization input, 24VDC / 0V (GND) | |||||
輸出模式 | OSSD1 & OSSD2 (24 VDC / 500mA SoIid-state Electronic), Synchronization output | |||||
偵測解析能力 ODC (N) 14mm | ||||
|---|---|---|---|---|
偵測範圍 (R) 0.5m 至 5.0m | ||||
光軸數 | 型號 | 偵測區域 (DZ) (mm) | 安裝長度 (CTR) (mm) | 組合總長 (L) (mm) |
12 | C4-101 | 134 | 216 | 242 |
24 | C4-102 | 254 | 336 | 362 |
36 | C4-103 | 374 | 456 | 482 |
48 | C4-104 | 494 | 576 | 602 |
60 | C4-105 | 614 | 697 | 722 |
72 | C4-106 | 734 | 816 | 842 |
84 | C4-107 | 854 | 936 | 962 |
96 | C4-108 | 974 | 1056 | 1082 |
108 | C4-109 | 1094 | 1176 | 1202 |
120 | C4-110 | 1214 | 1296 | 1322 |
132 | C4-111 | 1334 | 1416 | 1442 |
144 | C4-112 | 1454 | 1536 | 1562 |
156 | C4-113 | 1574 | 1656 | 1682 |
168 | C4-114 | 1694 | 1776 | 1802 |
180 | C4-115 | 1814 | 1896 | 1922 |
192 | C4-116 | 1934 | 2016 | 2042 |
偵測解析能力 ODC (N) 24mm | ||||
|---|---|---|---|---|
偵測範圍 (R) 0.5m 至 5.0m | ||||
光軸數 | 型號 | 偵測區域 (DZ) (mm) | 安裝長度 (CTR) (mm) | 組合總長 (L) (mm) |
6 | C4-201 | 144 | 216 | 242 |
12 | C4-202 | 264 | 336 | 362 |
18 | C4-203 | 384 | 456 | 482 |
24 | C4-204 | 504 | 576 | 602 |
30 | C4-205 | 624 | 697 | 722 |
36 | C4-206 | 744 | 816 | 842 |
42 | C4-207 | 864 | 936 | 962 |
48 | C4-208 | 984 | 1056 | 1082 |
54 | C4-209 | 1104 | 1176 | 1202 |
60 | C4-210 | 1224 | 1296 | 1322 |
66 | C4-211 | 1344 | 1416 | 1442 |
72 | C4-212 | 1464 | 1536 | 1562 |
78 | C4-213 | 1584 | 1656 | 1682 |
84 | C4-214 | 1704 | 1776 | 1802 |
90 | C4-215 | 1824 | 1896 | 1922 |
96 | C4-216 | 1944 | 2016 | 2042 |



偵測解析能力 ODC 30mm | 偵測解析能力 ODC 40mm | 尺寸內容 | ||||
|---|---|---|---|---|---|---|
偵測範圍 0.5m 至5m | 偵測範圍 3m 至 10m | |||||
光軸數 | 型號 | 偵測區域 (DZ) (mm) | 型號 | 偵測區域 (DZ) (mm) | 安裝長度 (CTR) (mm) | 組合總長 (L)(mm) |
6 | C4B-6 | 180 | C4B-6L | 190 | 212 | 240 |
12 | C4B-12 | 330 | C4B-12L | 340 | 362 | 390 |
18 | C4B-18 | 480 | C4B-18L | 490 | 512 | 540 |
24 | C4B-24 | 630 | C4B-24L | 640 | 662 | 690 |
30 | C4B-30 | 780 | C4B-30L | 790 | 812 | 840 |
36 | C4B-36 | 930 | C4B-36L | 940 | 962 | 990 |
42 | C4B-42 | 1080 | C4B-42L | 1090 | 1112 | 1140 |
48 | C4B-48 | 1230 | C4B-48L | 1240 | 1262 | 1290 |
54 | C4B-54 | 1380 | C4B-54L | 1390 | 1412 | 1440 |
60 | C4B-60 | 1530 | C4B-60L | 1540 | 1562 | 1590 |
66 | C4B-66 | 1680 | C4B-66L | 1690 | 1712 | 1740 |
72 | C4B-72 | 1830 | C4B-72L | 1840 | 1862 | 1890 |
78 | C4B-78 | 1980 | C4B-78L | 1990 | 2012 | 2040 |
84 | C4B-84 | 2130 | C4B-84L | 2140 | 2162 | 2190 |
90 | C4B-90 | 2280 | C4B-90L | 2290 | 2312 | 2340 |
96 | C4B-96 | 2430 | C4B-96L | 2440 | 2162 | 2490 |
偵測解析能力 ODC 45mm | 偵測解析能力 ODC 50mm | 尺寸內容 | ||||
|---|---|---|---|---|---|---|
偵測範圍 0.5m 至5m | 偵測範圍 3m 至 10m | |||||
光軸數 | 型號 | 偵測區域 (DZ) (mm) | 型號 | 偵測區域 (DZ) (mm) | 安裝長度 (CTR) (mm) | 組合總長 (L)(mm) |
4 | C4A-4 | 205 | C4A-4L | 210 | 217 | 245 |
8 | C4A-8 | 365 | C4A-8L | 370 | 377 | 405 |
12 | C4A-12 | 525 | C4A-12L | 530 | 537 | 565 |
16 | C4A-16 | 685 | C4A-16L | 690 | 697 | 725 |
20 | C4A-20 | 845 | C4A-20L | 850 | 857 | 885 |
24 | C4A-24 | 1005 | C4A-24L | 1010 | 1017 | 1045 |
28 | C4A-28 | 1165 | C4A-28L | 1170 | 1177 | 1205 |
32 | C4A-32 | 1325 | C4A-32L | 1330 | 1337 | 1365 |
36 | C4A-36 | 1485 | C4A-36L | 1490 | 1497 | 1525 |
40 | C4A-40 | 1645 | C4A-40L | 1650 | 1657 | 1685 |
44 | C4A-44 | 1805 | C4A-44L | 1810 | 1817 | 1845 |
48 | C4A-48 | 1965 | C4A-48L | 1970 | 1977 | 2005 |
偵測範圍 0.5m 至5m | 偵測範圍 3m 至 10m | 尺寸內容 | ||||||
|---|---|---|---|---|---|---|---|---|
光軸數 | 光軸間距 (P) (mm) | 型號 | 偵測區域 (K) (mm) | 型號 | 偵測區域 (K) (mm) | 光幕總長 (B) (mm) | 安裝長度 (CTR) (mm) | 組合總長 (L)(mm) |
8 | 500 | C4A-125 | 562 | C4A-122 | 562 | 562 | 597 | 625 |
8 | 600 | C4A-128 | 662 | C4A-129 | 662 | 662 | 697 | 725 |
12 | 430 | C4A-126 | 962 | C4A-123 | 962 | 962 | 997 | 1025 |
16 | 373 | C4A-127 | 1261 | C4A-124 | 1261 | 1261 | 1296 | 1324 |

輸入輸出電路 | |
|---|---|
(1)電源部分 : | 提供+24V DC 之額定動力予接發射與接收單元 (棕色接 +24V,藍色接 0V),為了避免受到感應突波電源之干擾,建議使用獨立之電源模組,並建議機殼接地。 |
(2)輸出部分 : | C4系列光幕有兩組獨立之電晶體 (PNP) 安全輸出 OSSD1 與 OSSD2 訊號;正常動作時輸出 DC +24V 之電壓訊號 (最大輸出電流各有 500mA )。 |





C4系列連接電纜(ODC 14mm、24mm)

C4A、C4B系列連接電纜

標準安裝支架




