T2 系列安全光柵光學設計架構精簡又符合國際安全標準,光幕整體也符合國際安全標準 IEC61496-1 與 IEC61496-2 TYPE 2 之安全要求,並取得歐洲知名驗證機構之符合證書。
採用非同步線接線的方式免除額外的配線,特殊的光電通訊方式又可避免一般光電感應器之光學串擾問題,而達到以線同步通訊光電開關之穩定程度。
外型結構精小卻強固;適於搭配機械整體外形設計,大型光幕仍保有強固之結構,額外的中間固定方式方便裝設。
此光幕光柵具備高解析度感測功能,是各類光柵應用的理想選擇

| 光軸數 | 4 ~ 48 | 8 ~ 64 | |||
|---|---|---|---|---|---|
| 偵測解析能力 | 50mm | 45mm | 30mm | 25mm | |
| 偵測區域 | 195mm ~ 1955mm | 192mm ~ 1952mm | 230mm ~ 1630mm | 185mm ~ 1305mm | |
| 偵測範圍 | 4m ~ 10m | 2m ~ 5.5m | 0.5m ~ 2.5m | 0.5m ~ 2.5m | 0.5m ~ 2.5m |
| 反應時間 | 20msec (不包含繼電器開關時間) | ||||
| 操作溫度 | 0℃ 至 +50℃ | ||||
| 防水防塵等級 | IP66 防護程度 | ||||
| 電源供應 | 24VDC ± 20%,1.5A (MAX) | ||||
| 消耗功率 | 發射端 200mA + 接收端 200mA + OSSD Output ( 500mA max. ) | ||||
| 光幕端接線接頭 | M12端子型 (T型) | ||||
| 外表塗裝 | 鋁擠型;黃色烤漆處理 | ||||
| 安全分類 | IEC61496-1 & IEC61496-2 : TYPE 2 IEC62061 SIL1 & ISO13849-1 PLc | ||||
| 3輸出模式 | 2 組獨立安全輸出 (固態電晶體 PNP 開關 : 每組 500mA@24V DC) | ||||
偵測解析能力 45mm | 偵測範圍0.5m至2.5m | ||||
|---|---|---|---|---|---|
光軸數 | 型號 | 偵測區域 (K) (mm) | 光幕總長 (B) (mm) | 安裝長度 (C) (mm) | 組合總長 (D) (mm) |
4 | T2A-4S | 192 | 200 | 234 | 260 |
8 | T2A-8S | 352 | 360 | 394 | 420 |
12 | T2A-12S | 512 | 520 | 554 | 580 |
16 | T2A-16S | 672 | 680 | 714 | 740 |
20 | T2A-20S | 832 | 840 | 874 | 900 |
24 | T2A-24S | 992 | 1000 | 1034 | 1060 |
28 | T2A-28S | 1152 | 1160 | 1194 | 1220 |
32 | T2A-32S | 1312 | 1320 | 1354 | 1380 |
36 | T2A-36S | 1472 | 1480 | 1514 | 1540 |
40 | T2A-40S | 1632 | 1640 | 1674 | 1700 |
44 | T2A-44S | 1792 | 1800 | 1834 | 1860 |
48 | T2A-48S | 1952 | 1960 | 1994 | 2020 |
偵測解析能力 45mm | 偵測範圍2m至5.5m | ||||
|---|---|---|---|---|---|
光軸數 | 型號 | 偵測區域 (K) (mm) | 光幕總長 (B) (mm) | 安裝長度 (C) (mm) | 組合總長 (D) (mm) |
4 | T2A-4 | 192 | 200 | 234 | 260 |
8 | T2A-8 | 352 | 360 | 394 | 420 |
12 | T2A-12 | 512 | 520 | 554 | 580 |
16 | T2A-16 | 672 | 680 | 714 | 740 |
20 | T2A-20 | 832 | 840 | 874 | 900 |
24 | T2A-24 | 992 | 1000 | 1034 | 1060 |
28 | T2A-28 | 1152 | 1160 | 1194 | 1220 |
32 | T2A-32 | 1312 | 1320 | 1354 | 1380 |
36 | T2A-36 | 1472 | 1480 | 1514 | 1540 |
40 | T2A-40 | 1632 | 1640 | 1674 | 1700 |
44 | T2A-44 | 1792 | 1800 | 1834 | 1860 |
48 | T2A-48 | 1952 | 1960 | 1994 | 2020 |
偵測解析能力 50mm | 偵測範圍4m至10m | ||||
|---|---|---|---|---|---|
光軸數 | 型號 | 偵測區域 (K) (mm) | 光幕總長 (B) (mm) | 安裝長度 (C) (mm) | 組合總長 (D) (mm) |
4 | T2A-4L | 195 | 200 | 234 | 260 |
8 | T2A-8L | 355 | 360 | 394 | 420 |
12 | T2A-12L | 515 | 520 | 554 | 580 |
16 | T2A-16L | 675 | 680 | 714 | 740 |
20 | T2A-20L | 835 | 840 | 874 | 900 |
24 | T2A-24L | 995 | 1000 | 1034 | 1060 |
28 | T2A-28L | 1155 | 1160 | 1194 | 1220 |
32 | T2A-32L | 1315 | 1320 | 1354 | 1380 |
36 | T2A-36L | 1475 | 1480 | 1514 | 1540 |
40 | T2A-40L | 1635 | 1640 | 1674 | 1700 |
44 | T2A-44L | 1795 | 1800 | 1834 | 1860 |
48 | T2A-48L | 1955 | 1960 | 1994 | 2020 |

偵測解析能力 30mm | 偵測範圍0.5m至2.5m | ||||
|---|---|---|---|---|---|
光軸數 | 型號 | 偵測區域 (K) (mm) | 光幕總長 (B) (mm) | 安裝長度 (C) (mm) | 組合總長 (D) (mm) |
8 | T2B-8S | 230 | 256 | 290 | 316 |
12 | T2B-12S | 330 | 356 | 390 | 416 |
16 | T2B-16S | 430 | 456 | 490 | 516 |
20 | T2B-20S | 530 | 556 | 590 | 616 |
24 | T2B-24S | 630 | 656 | 690 | 716 |
28 | T2B-28S | 730 | 756 | 790 | 816 |
32 | T2B-32S | 830 | 856 | 890 | 916 |
36 | T2B-36S | 930 | 956 | 990 | 1016 |
40 | T2B-40S | 1030 | 1056 | 1090 | 1116 |
44 | T2B-44S | 1130 | 1156 | 1190 | 1216 |
48 | T2B-48S | 1230 | 1256 | 1290 | 1316 |
52 | T2B-52S | 1330 | 1356 | 1390 | 1416 |
56 | T2B-56S | 1430 | 1456 | 1490 | 1516 |
60 | T2B-60S | 1530 | 1556 | 1590 | 1616 |
64 | T2B-64S | 1630 | 1656 | 1690 | 1716 |

偵測解析能力 25mm | 偵測範圍0.5m至2.5m | ||||
|---|---|---|---|---|---|
光軸數 | 型號 | 偵測區域 (K) (mm) | 光幕總長 (B) (mm) | 安裝長度 (C) (mm) | 組合總長 (D) (mm) |
8 | T2C-8S | 185 | 216 | 250 | 276 |
12 | T2C-12S | 265 | 296 | 330 | 356 |
16 | T2C-16S | 345 | 376 | 410 | 436 |
20 | T2C-20S | 425 | 456 | 490 | 516 |
24 | T2C-24S | 505 | 536 | 570 | 596 |
32 | T2C-32S | 665 | 696 | 730 | 756 |
36 | T2C-36S | 745 | 776 | 810 | 936 |
40 | T2C-40S | 825 | 856 | 890 | 916 |
44 | T2C-44S | 905 | 936 | 970 | 996 |
48 | T2C-48S | 985 | 1016 | 1050 | 1076 |
52 | T2C-52S | 1065 | 1096 | 1130 | 1156 |
56 | T2C-56S | 1145 | 1176 | 1210 | 1236 |
60 | T2C-60S | 1225 | 1256 | 1290 | 1316 |
64 | T2C-64S | 1305 | 13361 | 1370 | 1396 |

偵測範圍0.5m至2.5m | 偵測範圍2m至5.5m | 偵測範圍4m至10m | ||||||||
|---|---|---|---|---|---|---|---|---|---|---|
光軸數 | 光軸間距 (P) (mm) | 型號 | 偵測區域 (K) (mm) | 型號 | 偵測區域(K) (mm) | 型號 | 偵測區域(K) (mm) | 光幕總長 (B) (mm) | 安裝長度 (C) (mm) | 組合總長(D) (mm) |
8 | 480 | T2A-8S-PRM | 793 | T2A-8-PRM | 793 | T2A-8L-PRM | 793 | 800 | 834 | 860 |
12 | 380 | T2A-12S-PRM | 1193 | T2A-12-PRM | 1193 | T2A-12L-PRM | 1193 | 1200 | 1234 | 1260 |
18 | 280 | T2A-16S-PRM | 1393 | T2A-16-PRM | 1393 | T2A-16L-PRM | 1393 | 1400 | 1434 | 1460 |

輸入輸出電路 | |
|---|---|
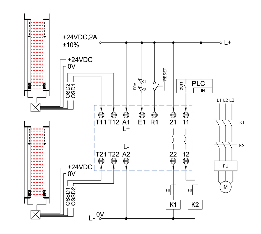
(1)電源部分 : | 提供+24V DC 之額定動力予接發射與接收單元 (棕色接 +24V,藍色接 0V),為了避免受到感應突波電源之干擾,建議使用獨立之電源模組,並建議機殼接地。 |
(2)輸出部分 : | T2 系列光幕有兩組獨立之電晶體 (PNP) 安全輸出 OSSD1 與 OSSD2 訊號;正常動作時輸出 DC +24V 之電壓訊號 (最大輸出電流各有500mA )。 |

正常狀態 | |||
|---|---|---|---|
指示燈號 | 動作型式 | 意義 | |
發射端 (TX) | 雙色 LED | 綠色恆亮 | 光幕工作正常,此燈號綠色恆亮。 |
雙色 LED | 紅色恆亮 | 光幕遮蔽狀態下,此燈號紅色恆亮。 | |
接收端 (RX) | 雙色 LED | 綠色恆亮 | 光幕工作正常,此燈號綠色恆亮,唯此狀態下系統兩個獨立之輸出送出+24V 之工作電壓。 |
雙色 LED | 紅色恆亮 | 光幕遮蔽狀態下,此燈號紅色恆亮。 | |
異常狀態 | |||
|---|---|---|---|
指示燈號 | 動作型式 | 意義 | |
發射端 (TX) | 雙色 LED | 紅綠燈閃爍 | 同步異常。 |
接收端 (RX) (出線端) | 紅色 LED | 固定頻率閃爍 | 系統檢測出有安全疑慮之狀態,系統立即閉鎖,除非將異常狀態排除並重置系統 (重新送電啟動)外光幕並無法啟動。 |
黃色 LED | S1恆亮 S2恆亮 S1&S2恆亮 | OSSD1 短路+24V 或 0V。 OSSD2 短路+24V 或 0V。 OSSD1 & OSSD2 短路。 | |
安全光幕搭配TSRU








T2系列-M12連接電纜-180° | |
| 電纜型號 | M12 電纜長度 |
| T2-3M-180-TX | T2系列 連接電纜 3M 180°(發射端TX) |
| T2-3M-180-RX | T2系列 連接電纜 3M 180°(接收端RX) |
| T2-5M-180-TX | T2系列 連接電纜 5M 180°(發射端TX) |
| T2-5M-180-RX | T2系列 連接電纜 5M 180°(接收端RX) |
| T2-10M-180-TX | T2系列 連接電纜 10M 180°(發射端TX) |
| T2-10M-180-RX | T2系列 連接電纜 10M 180°(接收端RX) |
| T2-15M-180-TX | T2系列 連接電纜 15M 180°(發射端TX) |
| T2-15M-180-RX | T2系列 連接電纜 15M 180°(接收端RX) |
T2系列-M12連接電纜-90° | |
| 電纜型號 | M12 電纜長度 |
| T2-3M-90-TX | T2系列 連接電纜 3M 90°(發射端TX) |
| T2-3M-90-RX | T2系列 連接電纜 3M 90°(接收端RX) |
| T2-5M-90-TX | T2系列 連接電纜 5M 90°(發射端TX) |
| T2-5M-90-RX | T2系列 連接電纜 5M 90°(接收端RX) |
| T2-10M-90-TX | T2系列 連接電纜 10M 90°(發射端TX) |
| T2-10M-90-RX | T2系列 連接電纜 10M 90°(接收端RX) |
| T2-15M-90-TX | T2系列 連接電纜 15M 90°(發射端TX) |
| T2-15M-90-RX | T2系列 連接電纜 15M 90°(接收端RX) |



