
型號類別 | GA25 | GA50 | GA0 | GA1 | GA3 |
光軸間距 | 2.5mm | 5mm | 9.38mm | 18.76mm | 37.52mm |
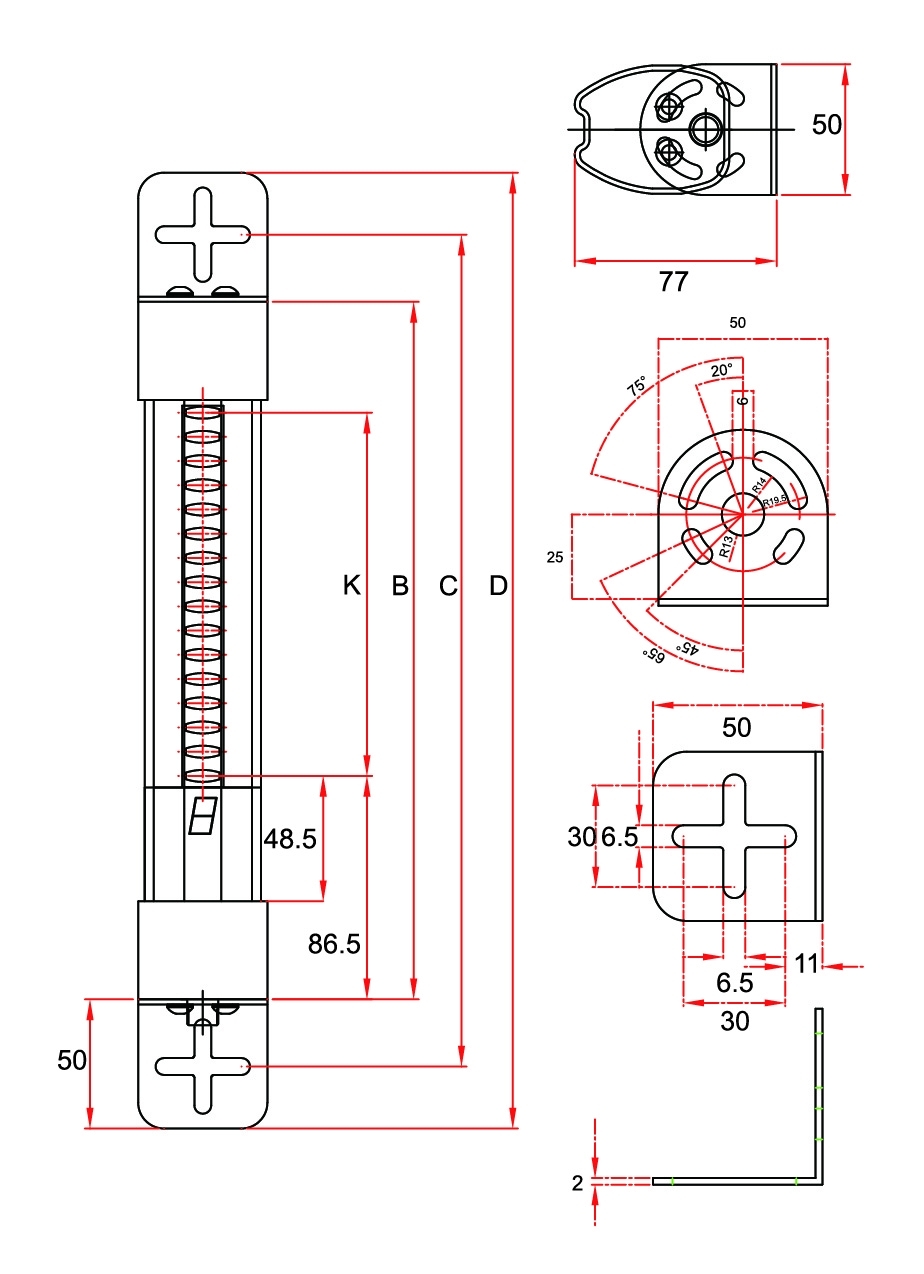
保護長度 | 157.5mm ~ 1917.5mm | 155mm ~ 1915mm | 140mm ~ 2390mm | 131mm ~ 2381mm | 113mm ~ 2363mm |
防護範圍 | 0.5m~5m | ||||
反應時間 | 3.6msec ~ 55msec | <100msec | |||
安全分類 | 符合CE LVD 指令要求;無安全分類(請勿使用於沖剪類之危險機械) | ||||
電源供應 | 22-28VDC 漣波<10% 二極體保護 | ||||
消耗功率 | 基本模組 40mA,加上每一模組 16 光軸 | ||||
輸出模式 | GA25, GA50 | GA0, GA1, GA3 | |||
RS232 Baud rate (4 modes) 9600bps, 19.2k bps,57.6k bps, 115.3k bps Model 1:輸出所有被遮蔽光軸轉換對應的位元值 Model 2:輸出最高被遮蔽光軸轉換值 Model 3:輸出最低被遮蔽光軸轉換值 Model 4:輸出最高與最低被遮蔽光軸轉換值 | RS232 Baud rate : 9600bps H:輸出最高被遮蔽光軸轉換值 HL:輸出最高與最低被遮蔽裝軸轉換值 O:輸出所有被遮蔽光軸轉換對應的位元值 | ||||
Analog output (optional) DC 0~10V analog, output, 10mA max Model 1:輸出最高被遮蔽光軸轉換電壓值 | Analog output (optional) DC 0~10V analog output, 10mA max Model 1:輸出最高被遮蔽裝軸轉換電壓值 | ||||
| Switching output 硬體提供一組Switching output 輸出介面電晶體種類 NPN/PNP, Switching output NC/NO狀態設定 DC 0V 40mA/+24V 20mA MAX | |||||
外表塗裝 | 黃色烤漆處理 | ||||
光幕端接線接頭 | M12 端子型( 4芯TX 或5芯 RX) | ||||
操作溫度 | -10°C 至 +50°C | ||||
防水防塵等級 | IP65 防護程度 | ||||
GA0 型號規格 | |||||
| 光軸間距 : 9.38mm | Range : 0.5m ~ 5m | ||||
型號 | 光軸數 | 量測長度 (K)(mm) | 光幕總長 (B)(mm) | 安裝長度 (C)(mm) | 組合總長 (D)(mm) |
GA0-16 | 16 | 140 | 271 | 321 | 371 |
GA0-32 | 32 | 290 | 421 | 471 | 521 |
GA0-48 | 48 | 440 | 571 | 621 | 671 |
GA0-64 | 64 | 590 | 721 | 771 | 821 |
GA0-80 | 80 | 740 | 871 | 921 | 971 |
GA0-96 | 96 | 890 | 1021 | 1071 | 1121 |
GA0-112 | 112 | 1040 | 1171 | 1221 | 1271 |
GA0-128 | 128 | 1190 | 1321 | 1371 | 1421 |
GA0-144 | 144 | 1340 | 1471 | 1521 | 1571 |
GA0-160 | 160 | 1490 | 1621 | 1671 | 1721 |
GA0-176 | 176 | 1640 | 1771 | 1821 | 1871 |
GA0-192 | 192 | 1790 | 1921 | 1971 | 2021 |
GA0-208 | 208 | 1940 | 2071 | 2121 | 2171 |
| GA0-224 | 224 | 2090 | 2221 | 2271 | 2321 |
| GA0-240 | 240 | 2240 | 2371 | 2421 | 2471 |
| GA0-256 | 256 | 2390 | 2521 | 2571 | 2621 |

GA1 型號規格 | |||||
| 光軸間距 : 18.76mm | Range : 0.5m ~ 5m | ||||
型號 | 光軸數 | 量測長度 (K)(mm) | 光幕總長 (B)(mm) | 安裝長度 (C)(mm) | 組合總長 (D)(mm) |
GA1-8 | 8 | 131 | 271 | 321 | 371 |
GA1-16 | 16 | 281 | 421 | 471 | 521 |
GA1-24 | 24 | 431 | 571 | 621 | 671 |
GA1-32 | 32 | 581 | 721 | 771 | 821 |
GA1-40 | 40 | 731 | 871 | 921 | 971 |
GA1-48 | 48 | 881 | 1021 | 1071 | 1121 |
GA1-56 | 56 | 1031 | 1171 | 1221 | 1271 |
GA1-64 | 64 | 1181 | 1321 | 1371 | 1421 |
GA1-72 | 72 | 1331 | 1471 | 1521 | 1571 |
GA1-80 | 80 | 1481 | 1621 | 1671 | 1721 |
GA1-88 | 88 | 1631 | 1771 | 1821 | 1871 |
GA1-96 | 96 | 1781 | 1921 | 1971 | 2021 |
GA1-104 | 104 | 1931 | 2071 | 2121 | 2171 |
| GA1-112 | 112 | 2081 | 2221 | 2271 | 2321 |
| GA1-120 | 120 | 2231 | 2371 | 2421 | 2471 |
| GA1-128 | 128 | 2381 | 2521 | 2571 | 2621 |
| GA1-136 | 136 | 2531 | 2671 | 2721 | 2771 |
| GA1-144 | 144 | 2681 | 2821 | 2871 | 2921 |
| GA1-152 | 152 | 2831 | 2971 | 3021 | 3071 |
GA3 型號規格 | |||||
| 光軸間距 : 37.52mm | Range : 0.5m ~ 5m | ||||
型號 | 光軸數 | 量測長度 (K)(mm) | 光幕總長 (B)(mm) | 安裝長度 (C)(mm) | 組合總長 (D)(mm) |
GA3-4 | 4 | 113 | 271 | 321 | 371 |
GA3-8 | 8 | 263 | 421 | 471 | 521 |
GA3-12 | 12 | 413 | 571 | 621 | 671 |
GA3-16 | 16 | 563 | 721 | 771 | 821 |
GA3-20 | 20 | 713 | 871 | 921 | 971 |
GA3-24 | 24 | 863 | 1021 | 1071 | 1121 |
GA3-28 | 28 | 1013 | 1171 | 1221 | 1271 |
GA3-32 | 32 | 1163 | 1321 | 1371 | 1421 |
GA3-36 | 36 | 1313 | 1471 | 1521 | 1571 |
GA3-40 | 40 | 1463 | 1621 | 1671 | 1721 |
GA3-44 | 44 | 1613 | 1771 | 1821 | 1871 |
GA3-48 | 48 | 1763 | 1921 | 1971 | 2021 |
GA3-52 | 52 | 1913 | 2071 | 2121 | 2171 |
| GA3-56 | 56 | 2063 | 2221 | 2271 | 2321 |
| GA3-60 | 60 | 2213 | 2371 | 2421 | 2471 |
| GA3-64 | 64 | 2363 | 2521 | 2571 | 2621 |
GA25 型號規格 | |||||
| 光軸間距 : 2.5mm | Range : 0.5m ~ 5m | ||||
型號 | 光軸數 | 量測長度 (K)(mm) | 光幕總長 (B)(mm) | 安裝長度 (C)(mm) | 組合總長 (D)(mm) |
GA25-16 | 16 | 37.5 | 169 | 219 | 269 |
GA25-32 | 32 | 77.5 | 209 | 259 | 309 |
GA25-48 | 48 | 117.5 | 249 | 299 | 349 |
GA25-64 | 64 | 157.5 | 289 | 339 | 389 |
GA25-128 | 128 | 317.5 | 449 | 499 | 549 |
GA25-192 | 192 | 477.5 | 609 | 659 | 709 |
GA25-256 | 256 | 637.5 | 769 | 819 | 869 |
GA25-320 | 320 | 797.5 | 929 | 979 | 1029 |
GA25-384 | 384 | 957.5 | 1089 | 1139 | 1189 |
GA25-448 | 448 | 1117.5 | 1249 | 1299 | 1349 |
GA25-512 | 512 | 1277.5 | 1409 | 1459 | 1509 |
GA25-576 | 576 | 1437.5 | 1569 | 1619 | 1669 |
GA25-640 | 640 | 1597.5 | 1729 | 1779 | 1829 |
| GA25-704 | 704 | 1757.5 | 1889 | 1939 | 1989 |
| GA25-768 | 768 | 1917.5 | 2049 | 2099 | 2149 |
| GA25-832 | 832 | 2077.5 | 2209 | 2259 | 2309 |
| GA25-896 | 896 | 2237.5 | 2369 | 2419 | 2469 |
| GA25-960 | 960 | 2397.5 | 2529 | 2579 | 2629 |
GA50 型號規格 | |||||
| 光軸間距 : 5mm | Range : 0.5m ~ 5m | ||||
型號 | 光軸數 | 量測長度 (K)(mm) | 光幕總長 (B)(mm) | 安裝長度 (C)(mm) | 組合總長 (D)(mm) |
GA50-8 | 8 | 35 | 169 | 219 | 269 |
GA50-16 | 16 | 75 | 209 | 259 | 309 |
GA50-24 | 24 | 115 | 249 | 299 | 349 |
GA50-32 | 32 | 155 | 289 | 339 | 389 |
GA50-64 | 64 | 315 | 449 | 499 | 549 |
GA50-96 | 96 | 475 | 609 | 659 | 709 |
GA50-128 | 128 | 635 | 769 | 819 | 869 |
GA50-160 | 160 | 795 | 929 | 979 | 1029 |
GA50-192 | 192 | 955 | 1089 | 1139 | 1189 |
GA50-224 | 224 | 1115 | 1249 | 1299 | 1349 |
GA50-256 | 256 | 1275 | 1409 | 1459 | 1509 |
GA50-288 | 288 | 1435 | 1569 | 1619 | 1669 |
GA50-320 | 320 | 1595 | 1729 | 1779 | 1829 |
| GA50-352 | 352 | 1755 | 1889 | 1939 | 1989 |
| GA50-384 | 384 | 1915 | 2049 | 2099 | 2149 |
| GA50-416 | 416 | 2075 | 2209 | 2259 | 2309 |
| GA50-448 | 448 | 2235 | 2369 | 2419 | 2469 |
| GA50-480 | 480 | 2395 | 2529 | 2579 | 2629 |







